Anyone know where to get bump stops
You are talking about the rubber bumpers inside the rear springs, correct ?
I know for a fact that those are shown on gmpartsdirect. They show them in the diagrams and the parts lists.
Not sure why you couldn't find them unless you're talking a different part.
gmpartsdirect list them as "bumper".
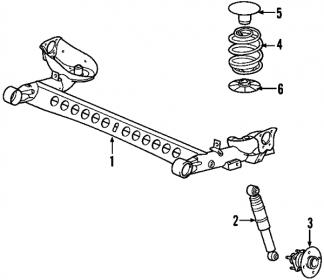
And, they do hang from the top of the spring, not the bottom like some other cars/trucks do.
Other common names: bump stop, bumper jounce.
I know for a fact that those are shown on gmpartsdirect. They show them in the diagrams and the parts lists.
Not sure why you couldn't find them unless you're talking a different part.
gmpartsdirect list them as "bumper".
And, they do hang from the top of the spring, not the bottom like some other cars/trucks do.
Other common names: bump stop, bumper jounce.
Last edited by firemangeorge; Sep 26, 2014 at 06:43 PM.
If you're going to replace #5, it's best to go ahead and also replace #6, the isolator, at the same time. As long as you have to take the springs out anyway.
edit: I think that isolater is called the spring seat.
edit: I think that isolater is called the spring seat.
You've got to release the tension off the spring and clear the support knobs that these parts fit into. That means disconnecting one end of the shocks to let the axle drop down far enough(careful here to not let the axle fall too far. Just enough to free the springs)
Do they just pop in ? Maybe, but I doubt it.
When I was swapping rear springs, I had to beat mine out with a hammer. They are made to fit really tight in the springs. I also had to beat them back into the new springs.(rubber mallet)
It was a whole lot easier to have the springs out to do this work.
If your old ones just "popped" out, you must be talking about the rubber part only. Replacement stops, the rubber part is clamped to the perch collar and has to be installed from the outside end of the spring.
Do they just pop in ? Maybe, but I doubt it.
When I was swapping rear springs, I had to beat mine out with a hammer. They are made to fit really tight in the springs. I also had to beat them back into the new springs.(rubber mallet)
It was a whole lot easier to have the springs out to do this work.
If your old ones just "popped" out, you must be talking about the rubber part only. Replacement stops, the rubber part is clamped to the perch collar and has to be installed from the outside end of the spring.
The rubber bumper is clamped to the metal collar which is attached the the spring seat disc. It is all made as one piece. Like the illustration above.
The black disc part fits between the spring and the framework. Like below.
Not the light colored disc. That's an extra foam insulator that I don't think was on all models.
The black disc is barely visible above the foam.
The black disc part fits between the spring and the framework. Like below.
Not the light colored disc. That's an extra foam insulator that I don't think was on all models.
The black disc is barely visible above the foam.



