Also In This Album

My Post Pictures (25) »
Oldblue May 27, 2019
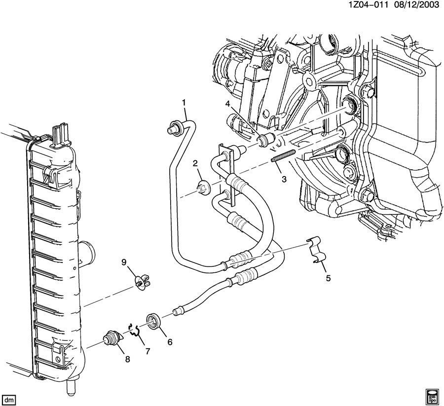
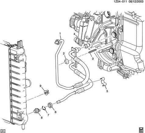
The retainer clip #7 , you can use a small screwdriver or a dental hook to move it , it will slide back , then remove the line.

More About This Picture

Vehicle

N/A

Location

N/A

Keywords

N/A

Discover More Pictures

See More
Advertisement

Comments (0)

Please Register or log in to leave a comment.

Be the first to comment on this picture!