2.0L Performance Tech 260hp (235hp auto) Turbocharged SS tuner version. 260 lb-ft of torque

2008 ss ecm pinout

Thread Tools
 
Search this Thread
 
Old Aug 7, 2016 | 04:01 PM
  #1  
ULOS2A6's Avatar
Thread Starter
Member
 
Joined: 02-10-2013
Posts: 98
From: Fullerton,Ca
2008 ss ecm pinout

Does anyone have the PINOUT for the ECM for a 2008 SS 5 speed?
Here is what I found for a Cobalt but it shows 60 pins and my connector at the ECM shows 58 pins.
Attached Thumbnails 2008 ss ecm pinout-image.gif   2008 ss ecm pinout-image.jpeg  
Old Aug 7, 2016 | 05:12 PM
  #2  
donbrew's Avatar
Moderator
 
Joined: 01-23-2009
Posts: 26,484
From: Fredericksburg,VA
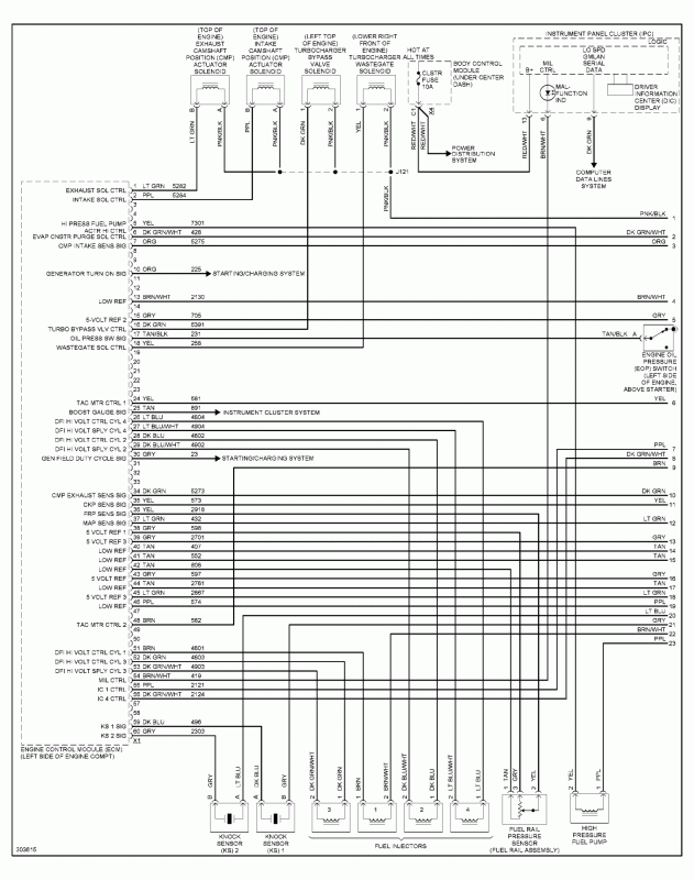
Does this help? Looks the same to me. Mitchell says that connector X-1 is 96 pins and X-2 is 58 pin
Attached Images  
Old Aug 7, 2016 | 05:16 PM
  #3  
Powermizer's Avatar
Senior Member
 
Joined: 05-01-2016
Posts: 140
From: Utah
This is all I can find
Attached Thumbnails 2008 ss ecm pinout-image.png  
Old Aug 7, 2016 | 05:29 PM
  #4  
donbrew's Avatar
Moderator
 
Joined: 01-23-2009
Posts: 26,484
From: Fredericksburg,VA
So does AllData.
Attached Thumbnails 2008 ss ecm pinout-x2-1.png   2008 ss ecm pinout-x2-2.png  
Old Aug 7, 2016 | 05:32 PM
  #5  
Powermizer's Avatar
Senior Member
 
Joined: 05-01-2016
Posts: 140
From: Utah
Ha, killing me, I had the image just like that and couldn't figure out how to post it. Thanks donbrew!
Old Aug 7, 2016 | 05:47 PM
  #6  
donbrew's Avatar
Moderator
 
Joined: 01-23-2009
Posts: 26,484
From: Fredericksburg,VA
Snipping tool, then attach.
Old Aug 7, 2016 | 06:56 PM
  #7  
ULOS2A6's Avatar
Thread Starter
Member
 
Joined: 02-10-2013
Posts: 98
From: Fullerton,Ca
Thanks so much! This is exactly what I need.
Old Aug 7, 2016 | 06:58 PM
  #8  
ULOS2A6's Avatar
Thread Starter
Member
 
Joined: 02-10-2013
Posts: 98
From: Fullerton,Ca
Powermizer, Donbrew,
Thanks for the info! This is what I needed.
Old Aug 7, 2016 | 07:13 PM
  #9  
ULOS2A6's Avatar
Thread Starter
Member
 
Joined: 02-10-2013
Posts: 98
From: Fullerton,Ca
Donbrew,
Is it possible to send me the 1st diagram that has the wire colors where it might be more readable? I can't see the descriptions or the numbers clearly. Thanks again!
Old Aug 7, 2016 | 07:25 PM
  #10  
donbrew's Avatar
Moderator
 
Joined: 01-23-2009
Posts: 26,484
From: Fredericksburg,VA
Pin numbers and wire colors are in the chart in post #4.

It looks to be exactly what you already havr.

I will try to PM a pdf.



All times are GMT -5. The time now is 07:32 AM.