Double din aftermarket stereo help.
Double din aftermarket stereo help.
Hey guys this is my first post here, hopefully you guys can help me out cause I'm really stuck. I was gifted an Eonon M1 head unit, but it didn't have the power cable. So I ordered one online and it finally showed up. I hooked up the colors from the new stereo connector to the stereo adapter for my car, but it isn't turning on. I noticed on the stereo connector, there are two blue wires coming out of it lableled 'power antenna' but there is nothing for me to hook them up too. I believe this is what is causing the stereo to not turn on, because it is getting power, as the back of the stereo touched some metal when I had it hooked up, and it sparked (whoops lol) any idea where I can hook up these blue wires and get this stereo working? I have an 06 ls non onstar or pioneer, just standard hhr.
Hi Rogersromeo,
to the forums!!
Are you saying the chassis of the new stereo is/was energized? Is it possible that spark fried the stereo, or at best, blew a fuse?
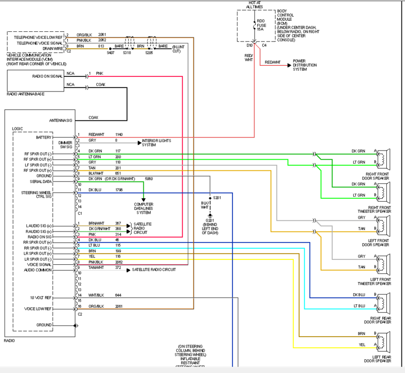
Sounds like you need wiring diagrams, for the HHR, as well as the new stereo.
And disconnect the negative terminal from the battery post. The battery is in the rear of the vehicle, under the spare tire cover.
to the forums!!Are you saying the chassis of the new stereo is/was energized? Is it possible that spark fried the stereo, or at best, blew a fuse?
Sounds like you need wiring diagrams, for the HHR, as well as the new stereo.
And disconnect the negative terminal from the battery post. The battery is in the rear of the vehicle, under the spare tire cover.
Hi Rogersromeo,
to the forums!!
Are you saying the chassis of the new stereo is/was energized? Is it possible that spark fried the stereo, or at best, blew a fuse?
Sounds like you need wiring diagrams, for the HHR, as well as the new stereo.
And disconnect the negative terminal from the battery post. The battery is in the rear of the vehicle, under the spare tire cover.
to the forums!!Are you saying the chassis of the new stereo is/was energized? Is it possible that spark fried the stereo, or at best, blew a fuse?
Sounds like you need wiring diagrams, for the HHR, as well as the new stereo.
And disconnect the negative terminal from the battery post. The battery is in the rear of the vehicle, under the spare tire cover.
also, the chassis was energized, and it sparked. The fuse looks fine, and it still sparks when it touches metal. I think I slightly figured out the problem, kinda. I was just color matching everything, so the ACC wire wasn't going where it needed to, I think. So I just have no idea where to put the ACC wire. Will post some pics.
Thread
Thread Starter
Forum
Replies
Last Post




