Chevy HHR Network
  • LOG IN
  • REGISTER
  • Forums
    • Main
      • Front Page News
      • The HHRs Of The Year
      • The HHR Of The Month
    • General Discussion
      • GM Recall Campaigns
      • Contests
      • General HHR
      • Maintenance and Upkeep
      • "How To" Tutorial Library
      • Problems/Service/Repairs
      • Commonly Used Part Numbers
    • HHR SS
      • HHR SS
      • SS Specific Service Issues/Repairs
    • Engine Performance
      • 2.0L Performance Tech
      • 2.2L Performance Tech
      • 2.4L Performance Tech
      • Racing Discussion
      • War Stories
    • Specific Technical Discussion
      • Brakes | Suspension | Shocks | Struts
      • Fuel Economy - Hypermiling
      • Drivetrain (Excluding Engine)
      • Tires & Wheels
      • Appearance/Modifications Discussions
      • Audio and Video
    • Marketplace
      • the *new* HHR Marketplace
      • Retired - Classifieds | Buy | Sell | Trade | Wanted Ads
      • Supporting Vendors
      • Inactive Classified Ads
      • Vendor Directory
    • Community
      • Featured HHR Submissions
      • Site Development, Help and Announcements
      • Introductions
      • Celebrations & Observances
      • Picture & Media
      • The Lounge
    • Regional - US
      • North East
      • Mid East
      • South East
      • North Central
      • Mid Central
      • South Central
      • North Mountain
      • South Mountain
      • North Pacific
      • South Pacific
    • Regional - Global
      • Canadian North East
      • Canadian Mid East
      • Canadian Mid West
      • Canadian North Pacific
      • Mexico/South America
      • Europe
      • Asia/Pacific
  • Marketplace
    • Vendor Directory
    • Become a Vendor
    • Site Store
    • the HHR Marketplace
  • New Posts
  • Tools
    • Car Payment Calculator
    • Recalls
    • Technical Service Bulletins (TSBs)
    • Members List
    • Live Feed
  • Gallery
  • View Dark Mode
    • Please register or login to enable Dark Mode.
  • Log In
  • Register
Chevy HHR Network
    • Threads
      • Advanced
Dark Mode

Please register or login to enable Dark Mode.

Log In

Forgot your Password?

By logging into your account, you agree to our Terms of Use and Privacy Policy, and to the use of cookies as described therein.
  • Recent
  • Commented
  • Albums
  • My Pictures

My Post Pictures

donbrew
October 3, 2017
 1641
 0
Sort:
Most Recent
  • Default
  • Most Recent
0 2021/01/06 08:13:02 donbrew
0 2021/01/05 17:37:51 donbrew
0 2021/01/05 07:59:04 donbrew
0 2021/01/04 20:48:21 donbrew
0 2021/01/04 20:48:19 donbrew
0 2020/12/29 18:00:59 donbrew
0 2020/12/27 18:41:30 donbrew
0 2020/12/27 15:52:32 donbrew
0 2020/12/27 15:22:30 donbrew
0 2020/12/23 20:25:48 donbrew
0 2020/12/23 06:01:52 donbrew
0 2020/12/22 13:08:32 donbrew
0 2020/12/18 14:55:09 donbrew
0 2020/12/17 20:17:34 donbrew
0 2020/12/17 07:24:49 donbrew
0 2020/12/15 06:40:51 donbrew
0 2020/12/14 20:21:13 donbrew
0 2020/11/17 10:50:15 donbrew
0 2020/11/17 10:49:56 donbrew
0 2020/11/09 07:26:40 donbrew
0 2020/11/08 12:37:05 donbrew
0 2020/11/01 13:32:46 donbrew
0 2020/10/30 15:15:47 donbrew
0 2020/10/22 06:52:27 donbrew
0 2020/10/22 06:52:25 donbrew
0 2020/10/22 06:12:18 donbrew
0 2020/10/17 15:12:57 donbrew
0 2020/10/17 13:24:39 donbrew
0 2020/10/17 13:23:44 donbrew
0 2020/10/17 13:22:58 donbrew
0 2020/10/17 13:22:51 donbrew
0 2020/10/17 13:22:34 donbrew
0 2020/10/12 10:49:22 donbrew
0 2020/09/23 13:53:56 donbrew
0 2020/09/21 08:49:47 donbrew
0 2020/09/18 20:16:01 donbrew
0 2020/09/14 06:48:24 donbrew
0 2020/09/12 20:37:45 donbrew
0 2020/09/12 20:24:48 donbrew
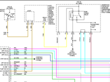
#2 in the drawing.
#2 in the drawing.
0 2020/09/09 14:16:25 donbrew
First
Page
16 of 42
Last
Go To
Page
  • 1
  • ...
  • 14
  • 15
  • 16
  • 17
  • 18
  • ...
  • 42
16 of 42
Go To GO
Go to page of 42 pages
  • 1
  • ...
  • 14
  • 15
  • 16
  • 17
  • 18
  • ...
  • 42

Top
Chevy HHR Network
  • Contact Us
  • Rules and FAQ
  • Archive
  • Advertising
  • Cookie Policy
  • Privacy Statement
  • Terms of Service
  • Your Privacy Choices
  • Manage Preferences

© 2026 MH Sub I, LLC dba Internet Brands



When you click on links to various merchants on this site and make a purchase, this can result in this site earning a commission. Affiliate programs and affiliations include, but are not limited to, the eBay Partner Network.