07 HHR Electrical- A/C cycles on/off, left lo beam & left parking light won't turn on
07 HHR Electrical- A/C cycles on/off, left lo beam & left parking light won't turn on
Bought a 2007 HHR with low miles (just rolled over 50k, but carfax showed it at least never sat idle) in this past December. I recently noticed the left low beam and left parking light won't turn on. However I know the bulbs are fine because when locking/unlocking they do light up. The right ones work fine also. Both high beams light up fine.
Also, as it got hotter I noticed the A/C was not always cold. I tried an A/C Pro to recharge it, but it was barely below the optimal range. I put refrigerant in anyway so it's solidly in the upper green. But with the A/C on full blast and hood open I can hear the compressor cutting on, and almost immediately back off. I checked the fuses, specifically the Diode A/C Clutch, A/C Clutch, and A/C, and even the cooling fan.
Could these electrical issues be related? Is there anything else I should check before going to the mechanic? Thanks for any help.
Also, as it got hotter I noticed the A/C was not always cold. I tried an A/C Pro to recharge it, but it was barely below the optimal range. I put refrigerant in anyway so it's solidly in the upper green. But with the A/C on full blast and hood open I can hear the compressor cutting on, and almost immediately back off. I checked the fuses, specifically the Diode A/C Clutch, A/C Clutch, and A/C, and even the cooling fan.
Could these electrical issues be related? Is there anything else I should check before going to the mechanic? Thanks for any help.
The DRLs are the low beams, the light up on lock/unlock. My guess is a fuse or relay has gone bad. They can be found in either the Owner Manual or the placard under the fuse box cover.
Are you a professional A/C repair guy? I you are not, I suggest you find one to fix whatever you did to the r134a charge. It could be many things causing that problem.
I doubt there is a link between the 2.
See the link in my sig for an online Owner Manual.
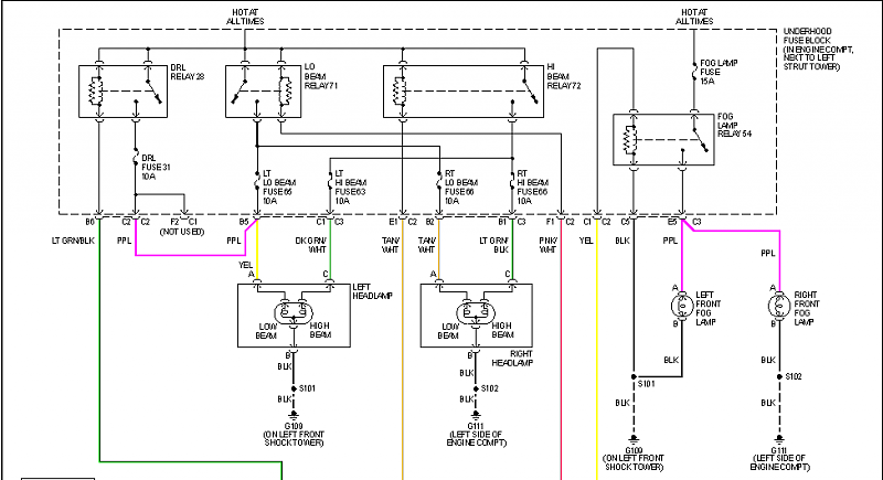
Here is the wiring diagram, Note the ground connections.
Are you a professional A/C repair guy? I you are not, I suggest you find one to fix whatever you did to the r134a charge. It could be many things causing that problem.
I doubt there is a link between the 2.
See the link in my sig for an online Owner Manual.
Here is the wiring diagram, Note the ground connections.
Welcome to the site!
For the A/C issue, check the cabin air filter! A clogged up OEM will cause issues!
For the bulb issues check the grounds and relays as Don has suggested
Please let us know the results .
For the A/C issue, check the cabin air filter! A clogged up OEM will cause issues!
For the bulb issues check the grounds and relays as Don has suggested
Please let us know the results .
I had another weird issue spring up right after I posted. When turning off the car and getting out, the cooling fan stays on now until I hit the lock button on the key fob.
I also forgot to mention the Traction Control light and Check Engine light have come on intermittently since I bought the car. Though it was far more frequent as the oil got dirty. I changed the oil myself and it seemed to help, but that was
Have your battery load tested! Our trucklets have a funny way of going electrical crazy when the voltage drops as the battery is headed south!
If the CEL is on gave the codes read first!!!!
If the CEL is on gave the codes read first!!!!
I developed a bit of a theory that might explain some of the issues. I think the oil life was reset by the dealer without the actual change being done. I did change on time, but saw in carfax that it was changed 1800 miles before I bought it.
From the research I've done, dirty oil could have led to the timing being thrown off. The timing issue could cause misfires, which triggers the check engine, which triggers the T/C code. The computer may be forcing the A/C off due to lack of power from the misfire also. Still doesn't explain the cooling fan being on after shut down or the lighting issue; but I'm thinking my next step is going to have to be going to a mechanic on Monday.
Cooling fan will stay on after shutdown if the temp is too high. 217 or higher I believe.
The good members here have ask about your coolant temp, level and if any codes are set. Saying "it's fine" doesn't help us to help you.
If you could post some answers to those questions , I'm sure we can help you figure this out.
Just an FYI. Locking and unlocking I believe triggers the high beam lights on your year model. The low beam filament is probably burned out.
The good members here have ask about your coolant temp, level and if any codes are set. Saying "it's fine" doesn't help us to help you.
If you could post some answers to those questions , I'm sure we can help you figure this out.
Just an FYI. Locking and unlocking I believe triggers the high beam lights on your year model. The low beam filament is probably burned out.
Now you say you have the CEL on? Did you not download the code to determine what the error is?
You say Dirty oil caused the timing to be thrown off - which then causes misfires, which triggers the check engine light, which triggers the T/C code - and lack of power because of the misfire disables the A/C??????? Where did all that come from - sorry it makes no sense at all.
You say Dirty oil caused the timing to be thrown off - which then causes misfires, which triggers the check engine light, which triggers the T/C code - and lack of power because of the misfire disables the A/C??????? Where did all that come from - sorry it makes no sense at all.


