Something missing ?
Something missing ?
Noticed last nite that it seems something is missing sine my engine was replaced. if you look at the picyures you'll see what i mean.
Can someone with a min. check under their SS and let me know if i'm loosing my mind .
Can someone with a min. check under their SS and let me know if i'm loosing my mind .
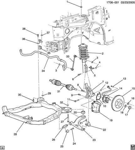
According to the parts diagram, you aren't missing anything there Batman, but I'm wondering what they had threaded into those holes during your engine swap. Here's a link to the front suspension/subframe parts breakdown + a copy of the diagram for you.
http://parts.nalleygmc.com/showAssem...roduct=2801927
http://parts.nalleygmc.com/showAssem...roduct=2801927
Your loosing your mind! Seriously though, nothing is missing. Those holes are empty on mine also. Maybe the holes are just used during assembly or they are used on the Cobalt. Not sure. Many cars have empty holes and mounting points.
PS. Look at your 1st photo,top left corner. Ever wonder what the 2 threaded holes are on the side of the oil pan? I mounted a bracket from there to the lower IC pipe. When the engine rotates with torque,the bracket moves the IC pipe, keeping it away from the AC compressor.(the known GMTU problem of rubbing the Tmap wiring)
Perhaps you've seen. But just in case - you have a leaking oil.
1. The hole to drain the oil. Perhaps a weak seal, or plug is not screwed down until it stops. Concerned about the oil stain on a stretcher (if I correctly considered the picture) - a strong leak.

2. Oil flows from somewhere above. Probably no big deal. Perhaps the weak seal the filter. Or the repairman spilled oil in the process of replacing it.

In any case, check will be no superfluous.
1. The hole to drain the oil. Perhaps a weak seal, or plug is not screwed down until it stops. Concerned about the oil stain on a stretcher (if I correctly considered the picture) - a strong leak.

2. Oil flows from somewhere above. Probably no big deal. Perhaps the weak seal the filter. Or the repairman spilled oil in the process of replacing it.
In any case, check will be no superfluous.


