Problems/Service/Repairs If you have a problem with your HHR, want a tip on repairing or performing a particular service to you HHR here is the place to post!

2010 blower issues

Thread Tools
 
Search this Thread
 
Old Dec 11, 2016 | 04:20 PM
  #1  
tim597's Avatar
Thread Starter
 
Joined: 12-11-2016
Posts: 4
From: Northwest Indiana
2010 blower issues

Blower motor works as I applied 12 volts to it. All fuses are good under the hood and interior and were checked for power. Replaced four prong relay on interior fuse box. I am getting power to the speed switch, but no power to the resistor block. Is my control panel possibly bad?
Old Dec 11, 2016 | 04:50 PM
  #2  
Oldblue's Avatar
Administrator
 
Joined: 10-13-2011
Posts: 39,951
From: Welland,Ont Canada
Welcome to the site, seems to be the problem
Old Dec 11, 2016 | 06:49 PM
  #3  
donbrew's Avatar
Moderator
 
Joined: 01-23-2009
Posts: 26,476
From: Fredericksburg,VA
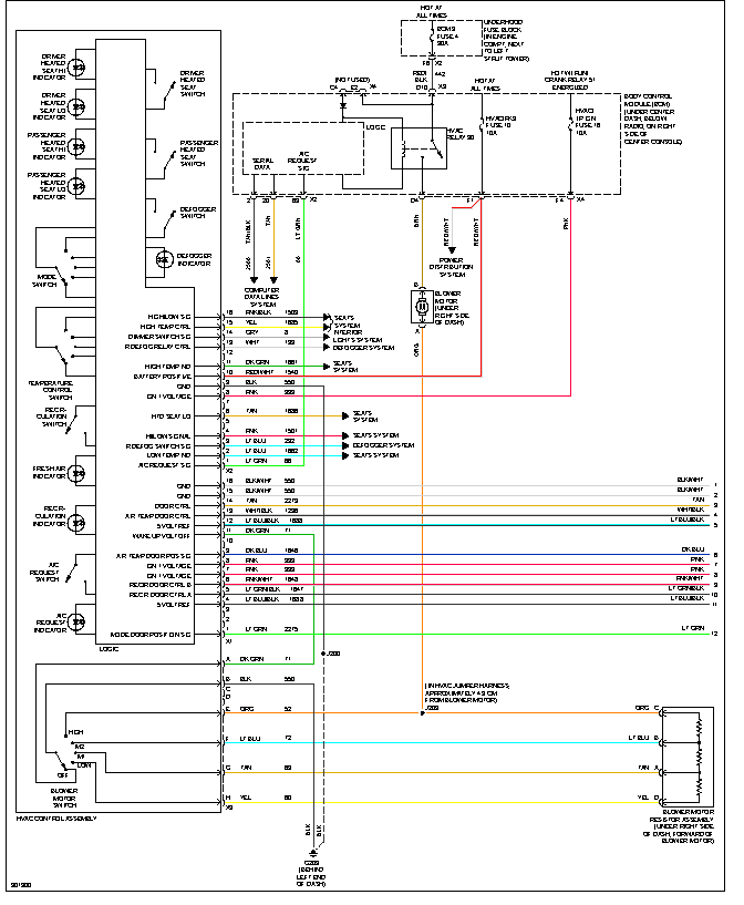
I think a wiring diagram would explain what and where to test. I think you are making a false assumption.
Attached Thumbnails 2010 blower issues-blower.png  
Old Dec 12, 2016 | 05:47 PM
  #4  
tim597's Avatar
Thread Starter
 
Joined: 12-11-2016
Posts: 4
From: Northwest Indiana
Thank you for the wiring diagram Brew. Back to the garage for more testing.
Old Dec 16, 2016 | 05:26 PM
  #5  
MrMom's Avatar
 
Joined: 06-03-2008
Posts: 6
From: T. Tonawanda NY
Don, How can I enlarge the image to make it readable? I have saved it to my desktop and zoomed in but can not read the notations. 2008 HHR intermittent blower (all speeds) dry interior.
Old Dec 16, 2016 | 06:08 PM
  #6  
donbrew's Avatar
Moderator
 
Joined: 01-23-2009
Posts: 26,476
From: Fredericksburg,VA
You would have to convince me to do some work. Problem being proprietary software.

The only part you really need is the bottom bit. the important part is that 12V goes directly into the motor, all speed control is ground side.

That's why I'm having trouble figuring out how and where applying 12V to the motor would do anything at all if the fuse and relay are good.

Check your PM.
Old Dec 17, 2016 | 11:57 AM
  #7  
MrMom's Avatar
 
Joined: 06-03-2008
Posts: 6
From: T. Tonawanda NY
Don, Thanks for the heads up. I have my work cut out in the cold and snow near Buffalo NY.
Old Dec 17, 2016 | 06:17 PM
  #8  
Oldblue's Avatar
Administrator
 
Joined: 10-13-2011
Posts: 39,951
From: Welland,Ont Canada
Yes, it's freezing rain across the river from you! Bbrrrrr!
Old Dec 17, 2016 | 09:40 PM
  #9  
tim597's Avatar
Thread Starter
 
Joined: 12-11-2016
Posts: 4
From: Northwest Indiana
I found I had no continuity from x210 to the blower motor. The grey wire wrap behind the motor had the brown wire pinched. straightened out the wire and retested. Boom! Continuity! 20" of new brown wire and we are back in business.
Old Dec 17, 2016 | 10:33 PM
  #10  
whopper's Avatar
Platinum Member
 
Joined: 04-09-2006
Posts: 7,043
From: Vancouver, BC, Canada
Congrats on tracking that down.
Related Topics
Thread
Thread Starter
Forum
Replies
Last Post
LuckyLadySD
Problems/Service/Repairs
14
Jun 12, 2014 02:09 AM
gilbert
HHR SS
13
Sep 4, 2010 09:50 PM
elvistar
Introductions
5
Sep 2, 2010 08:13 AM
jeffros hhr
Problems/Service/Repairs
8
Jun 26, 2009 07:54 PM




All times are GMT -5. The time now is 10:01 PM.