Brakes | Suspension | Shocks | Struts Brakes,Springs, Shocks,Front End Components & Steering

Brake upgrade to SS brakes ....

Thread Tools
 
Search this Thread
 
Old Dec 6, 2020 | 02:33 PM
  #41  
Oldblue's Avatar
Administrator
 
Joined: 10-13-2011
Posts: 39,972
From: Welland,Ont Canada
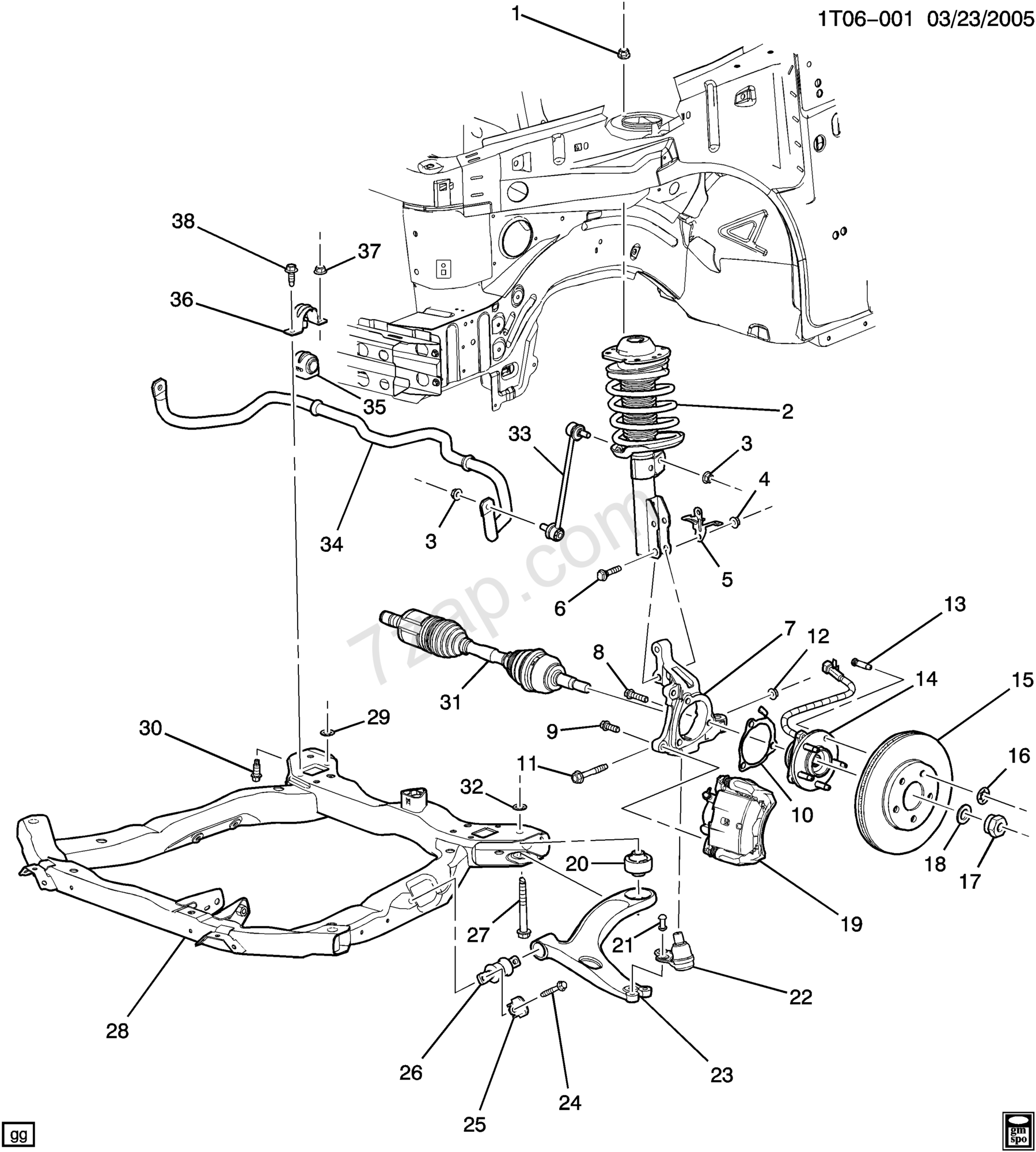
Do you mean the splash shield?


Item #10 in this diagram


It was replaced by a full round splash shield behind the brake rotor
Old Dec 6, 2020 | 04:09 PM
  #42  
r.char's Avatar
New Member
 
Joined: 07-16-2014
Posts: 11
From: Howell, Michigan
Thank you; now I see what's going on. Everywhere they remove this "knuckle spacer" between the knuckle and hub assembly, they replace it with a "splash shield" (per gmwholesaledirect.com terminology). Though the diagrams with the splash shields aren't clear, they must certainly mount the same way as the knuckle spacer, between hub and knuckle. Both likely have the same thickness, thus keeping the rotor to bracket clearances identical. The primary difference between this knuckle spacer and the three hole 3mm thick spacers pictured in the Brembo kit, above, is the very small tab sticking out (see pics below). Not much of a splach shield lol. The tab is the only part extending out beyond the hub after assembly, the rest of it indeed acts only as a spacer.

Glad you pointed this out, solved the problem, I didn't realize the "knuckle spacer" had essentially been replaced by the splash shield lol.


Old Dec 7, 2020 | 07:19 AM
  #43  
Oldblue's Avatar
Administrator
 
Joined: 10-13-2011
Posts: 39,972
From: Welland,Ont Canada
Part #5 in this diagram is the splash shield, it is only 1 mm thick , not much of a spacer , the smaller shield was only to protect the ABS wires, but used on none ABS hubs also those were about 1.25 mm thick.



Old Dec 7, 2020 | 11:09 AM
  #44  
r.char's Avatar
New Member
 
Joined: 07-16-2014
Posts: 11
From: Howell, Michigan
You sure know your details! Thank you for the information.

It would take approximately the 3mm three-hole spacers in the Brembo kit pictured further above to center the rotors within their brackets on my '06 LS, even with the 1.25mm smaller shield already in place. Still a mystery to me why, since no one else has reported any interference. I wonder if others' rotors are off-center after the upgrade, just not quite enough to make contact with the brackets.
Old Dec 7, 2020 | 02:13 PM
  #45  
Oldblue's Avatar
Administrator
 
Joined: 10-13-2011
Posts: 39,972
From: Welland,Ont Canada
Bingo, I have seen a couple with that issue.
Unfortunately that 3mm spacer is no longer available from GM and you can purchase from ZZP , but you have to get the rest of that Brembo kit at $600.00.
Old Dec 7, 2020 | 04:42 PM
  #46  
donbrew's Avatar
Moderator
 
Joined: 01-23-2009
Posts: 26,480
From: Fredericksburg,VA
3 mm sheet metal exists! 3/32 inch. Difficult to believe that makes a noticeable difference.
Old Dec 7, 2020 | 04:54 PM
  #47  
Oldblue's Avatar
Administrator
 
Joined: 10-13-2011
Posts: 39,972
From: Welland,Ont Canada
I believe the spacer is aluminum, so should be easy to fabricate two to move the hub out to centre the rotors in the caliper brackets.
Old Dec 7, 2020 | 05:55 PM
  #48  
r.char's Avatar
New Member
 
Joined: 07-16-2014
Posts: 11
From: Howell, Michigan
Originally Posted by donbrew
3 mm sheet metal exists! 3/32 inch. Difficult to believe that makes a noticeable difference.
It won't be noticeable unless you had hard contact between rotor and bracket without it. Then you'll REALLY notice it!

Nice to see you here donbrew. I thought it was just going to be Oldblue and me. The youngest HHR's out there are around 10yr old now, not many will have waited this long to do something about their warped rotor problems. I may be the last one. More just a problem solving exercise for me in my retirement, for fun.
Related Topics
Thread
Thread Starter
Forum
Replies
Last Post
silverstreet
Brakes | Suspension | Shocks | Struts
9
Apr 17, 2013 05:54 PM
milkmann
Appearance/Modifications Discussions
8
Sep 28, 2012 01:12 PM
Hiperguy
Brakes | Suspension | Shocks | Struts
2
Oct 25, 2010 05:44 PM
Sandmanse7en
HHR SS
5
Dec 10, 2009 09:19 PM
motordoctor
General HHR
1
Oct 21, 2009 10:36 PM




All times are GMT -5. The time now is 06:32 PM.